Pompe électrique PEO-5N/SM pour huile avec réservoir en métal de 5 l avec contrôle de niveau / sans moteur et 1 sortie à débit réglable

Retour à l'aperçu

La PEO-5N/SM est une pompe à huile avec un réservoir en métal de 5 l.

Cette pompe est idéale pour la lubrification automatique de divers systèmes de graissage industriels. En combinaison avec les distributeurs progressifs DPL, DPX et DMX, elle peut lubrifier plus de 300 points de graissage avec une seule pompe.

La version standard est livrée avec une seule sortie ; des éléments de pompe supplémentaires doivent être commandés séparément.

D'autres moteurs sont également disponibles.

Spécifications

Nr d'article 90.907.0
Rapport de réduction 1-30
Element pompant débit réglable
Débit par tour réglable entre 0 cc et 0.16 cc/cycle
Contenu de réservoir 5 l
Nombre de sorties 1 extensible à 3
Lubrifiant Huiles minérales 50-1500 cSt
Filetage de sortie 1/4 " BSP
Contrôle de niveau prévu
Tension sans moteur
Contrôle de niveau électriques PEO
Tension d'alimentation 250 V AC, 200 V DC
Vermogen 50 W
Beschermingsgraad IP 65
Resistive résistive
Courant absorbé 1.5 A
Werking

Fonctionnement

Les pompes PEG-PEO sont conçues pour un fonctionnement intermittent ou en continu. À l'aide d'un automate externe (PLC), des cycles de lubrification peuvent être programmés pour des applications spécifiques.

Un motoréducteur et un moteur commandent une came interne qui actionne jusqu'à 3 éléments de pompage montés à l’extérieur.

Il est possible de regrouper le débit d’une deuxième et d’une troisième sortie vers une seule sortie pour obtenir un débit plus élevé.

Installation
Les pompes doivent être montées en position verticale à l’aide de l'étrier de fixation intégré dans le corps de la pompe.

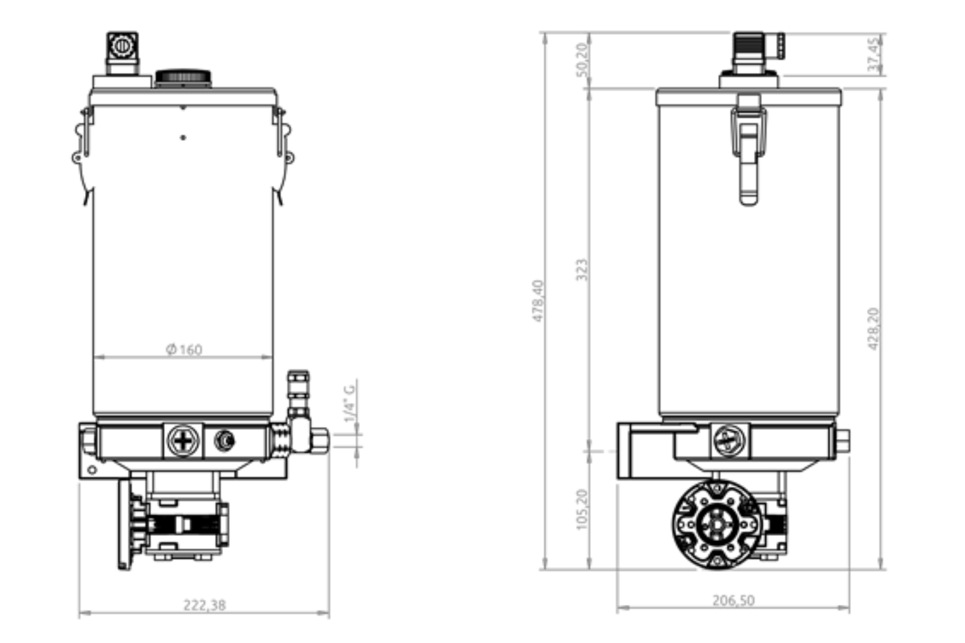
Dimensies PEO 5 N SM

ILC Lube : Fournisseur de systèmes de lubrification avancés pour diverses industries
ILC Lube est un fabricant de premier plan de systèmes et d'équipements de lubrification pour divers secteurs. L'entreprise propose une large gamme de systèmes de lubrification, y compris des systèmes de lubrification progressifs, des systèmes de dosage, des vannes de dosage simples et multiples, ainsi que des systèmes de lubrification manuels. ILC Lube est reconnu pour ses systèmes de lubrification de haute qualité et sur mesure, et a acquis une réputation mondiale pour sa qualité, sa fiabilité et sa durabilité. Leurs systèmes de lubrification sont utilisés dans diverses industries, notamment la métallurgie, l'industrie du papier, l'agroalimentaire, l'automobile et la construction de machines.
ILC Lube a une passion pour l'innovation et travaille en permanence au développement de systèmes de lubrification et de technologies nouveaux et améliorés. En utilisant les systèmes de lubrification d'ILC Lube, les entreprises peuvent améliorer les performances et la durée de vie de leurs machines, réduire les coûts d'entretien et augmenter la productivité.

Conseils sur mesure pour les systèmes de lubrification : Nous vous aidons à faire le bon choix
En tant que spécialistes de la lubrification, nous comprenons que chaque type de machine est unique et que les conditions opérationnelles, telles que la température ambiante et l'emplacement, influencent le choix de la méthode de lubrification la plus appropriée. Si vous avez besoin d'aide pour trouver la solution idéale qui correspond à vos besoins spécifiques en matière de lubrification, nous sommes prêts à vous fournir d'excellents conseils. Nous offrons des solutions avec un rapport qualité-prix optimal et nous serions ravis de vous rendre visite sur place pour vous donner un conseil adapté. N'hésitez pas à nous contacter.

Découvrez Simalube : la solution idéale pour la lubrification automatique d’un seul pointentièrement autonome, fonctionne sans source d’énergie externe.

Pour une offre complète et des conseils d’experts, rendez-vous chez Pomac Lub-Services

Souhaitez-vous plus d'information? Nos spécialistes seront heureux de vous aider.

Contactez-nous sans engagement

Voilà pourquoi vous optez pour ILCLUBE

Plus de 5 000 produits en stock
Large assortiment : nous proposons un concept global !
Délais de livraison rapides : 1 à 2 jours ouvrables
Service personnalisé